Průvodce zapojení vypínačů

Přinášíme kompletní seznam nejčastějších zapojení domovních vypínačů. Ať už hledáte schéma pro vypínač č.1, vypínač č.6+6 nebo vypínač s kontrolkou. K čemu se hodí a jak zapojit vypínač č.1, vypínač č.2, vypínač č.3, vypínač č.5, vypínač č.6. vypínač č.7, vypínač č.6+1 (5a), vypínač č.6+6 (5b). AKTUALIZOVÁNO.

Provádíte elektroinstalaci vypínačů a nejste si jisti zapojením? Přinášíme kompletní a přehledný seznam nejčastějších zapojení vypínačů. Srozumitelně a přehledně ukážeme, jak zapojit lustr, průchozí haly, domovní schodiště. Informace zde načerpá jak méně zkušený tak i profesionál.


Obsah




Nejčastější zapojení vypínačů

Na začátek je dobré položit si otázku: Kolik světel (elektrických okruhů) potřebuji ovládat a z kolika míst? Nabízíme přehledný seznam všeho, co by vás mohlo při instalaci domovních vypínačů zajímat, uživatelská i elektrotechnická schémata. Přehled zapojení vypínačů pro jedno nebo skupinu světel (obecně spotřebičů) společně. Ovládání jednoho světla či selektivně ovládaná dvě světla a více. Využijete pro jednoduché místnosti, lustr, průchozí chodbu, domovní schodiště a další.



Jak z 1 místa ovládat 1 světlo

Základní zapojení jednoho vypínače, kterým ovládáte jeden okruh (obvykle světlo). Vypínač řazení č.1 je vhodný pro ovládání osvětlení jednoduché místnosti. Některé designové řady vypínačů v krytí IP44 nenabízí řazení č.1, v takovém případě se nahrazuje řazením č.6.

Zapojení vypínače řazení č.1: vlevo zjednodušené schéma, vpravo elektrické schéma.

Další varianty jednoho vypínače pro jeden spotřebič jsou dvoupólový vypínač č.2 používaný s doutnavkou nebo trojpólový vypínač č.3 známý jako sporáková kombinace.

Schéma zapojení: vlevo schéma vypínače řazení č.2, vpravo schéma zapojení vypínače řazení č.3.



Jak ze 2 míst ovládat 1 světlo

Schodišťové zapojení dvou vypínačů, kterými ovládáte jeden spotřebič. Vypínač č.6 (známý jako schodišťový vypínač či střídavý přepínač) je vhodný pro ovládání osvětlení chodby, průchozí místnosti, schodiště. Tento přepínač může přepínat mezi dvěma okruhy. Lze ho ale také použít jen jako vypínač řazení č.1.

Zapojení dvou vypínačů řazení č.6: vlevo zjednodušené schéma, vpravo elektrické schéma.



Jak ze 3 a více míst ovládat 1 světlo

Schodišťové zapojení tří a více vypínačů, kterými ovládáte jeden spotřebič. První a poslední je střídavý č.6, ostatní nazývané "křížové" jsou č.7. Vypínač č.7 je vhodný pro ovládání osvětlení dlouhé chodby, schodiště. Více informací a elektroinstalační schémata zapojení střídavých a křížových přepínačů naleznete ve článku Schodišťový vypínačí ze 3 míst.

Zapojení více vypínačů řazení č.6 a č.7: vlevo zjednodušené schéma řazení 6 7 7 6, vpravo elektrické schéma řazení 6 7 6.



Jak z 1 místa ovládat více světel

Zapojení jednoho vypínače s dvěma klapkami, kterým ovládáte zvlášť dva okruhy (třeba dvě poloviny lustru). To umí vypínač řazení č.5, který obsahuje dva jednoduché vypínače se spojeným pólem. Vhodné pro větší nebo rozdělené místnosti, selektivní ovládání lustru.

Zapojení děleného vypínače řazení č.5: vlevo zjednodušené schéma, vpravo elektrické schéma.



Částečné ovládání 2 světel ze 2 míst

Z jednoho místa ovládáte oba spotřebiče ale z druhého místa ovládáte pouze jeden. Dříve se v tomto zapojení používal vypínač 5a (6+1), ten je dnes nahrazen univerzálnějším 6+6 nebo též 5b. Vhodné pro místnost s chodbou, hlavní a vedlejší vchod. Řazení č.6+6 (č.5b) a č.6.

Zapojení dvojitého přepínače č.5b a schodišťového vypínače č.6: vlevo zjednodušené schéma, vpravo elektrické schéma.



Úplné ovládání 2 světel ze 2 míst

Pro potřebu ovládat selektivně dva spotřebiče ze dvou míst. Vhodné pro oboustranně průchozí dlouhá chodba. Řazení č.6+6 nebo též 5b.

Zapojení dvou dvojitých přepínačů č.6+6 (č.5b): vlevo zjednodušené schéma, vpravo elektrické schéma.



Signalizační / orientační doutnavka a LED

Vypínač s doutnavkou svítí při vypnutém nebo sepnutém stavu, podle toho se také rozlišují signalizační nebo orientační zapojení. "Inteligentní" vypínače mají obvykle zabudovanou LED kontrolku.

Doutnavka je speciální výbojka, zapojuje se paralelně k výstupům vypínače nebo připojeného spotřebiče. Svítí nejčastěji žlutě až oranžově, ale mohou mít i zelenou či modrou barvu. LED se někdy používají coby moderní náhrada doutnavek. Zejména v chytrých domácnostech se LED indikace těší oblibě.

Signalizační doutnavka svítí když je vypínač sepnutý, čili signalizuje zapnutý stav spotřebiče. Orientační doutnavka svítí naopak když je vypínač vypnutý, indikuje vypnutý stav spotřebiče. Slouží k orientaci a snadnému nalezení vypínače.



Vypínač se signalizační doutnavkou

Signalizační doutnavka má podobnou funkci jako "kontrolka". Signalizuje stav spotřebiče: svítí při zapnutí, nesvítí při vypnutí. Hodí se pro spotřebiče, jejichž provoz není patrný (zrakem, sluchem) z místa umístění vypínače. Vhodné pro: vypínač umístěn daleko od spotřebiče, nepřehledné prostory, výstrahu zapnutého přístroje. Řazení vypínače se signalizační doutnavkou je doplněno o písmeno S, tedy např. 1S, 2S.

Schéma zapojení jednoduchého vypínače řazení 1S se signalizační doutnavkou.

Schéma zapojení dvojitého vypínače řazení 2S se signalizační doutnavkou.



Vypínač s orientační doutnavkou

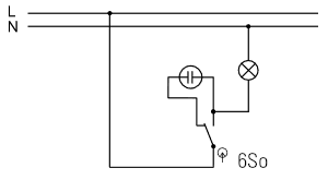
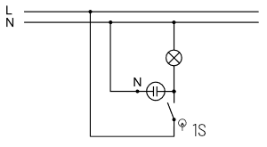
Orientační doutnavka slouží ve tmě k indikaci polohy vypínače. Řazení 1So se svorkou N je vhodné pro ovládání svítidla s elektronickým předřadníkem (zamezení blikání). Vhodné pro: tmavé prostory, nouzové režimy a krizové situace. Řazení vypínače s orientační doutnavkou je doplněno o písmena So, tedy např. 1So, 6So, 7So.

Schéma zapojení vypínače řazení 1So (se svorkou N) s orientační doutnavkou.

Schéma zapojení vypínače řazení 6So s orientační doutnavkou.

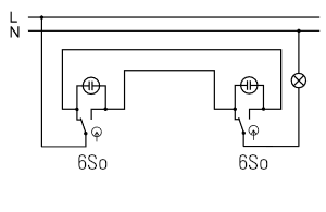
Schéma zapojení dvou schodišťových vypínačů řazení 6So s orientační doutnavkou.



Šroubový nebo bezšroubový vypínač?

Strojky či mechanismy vypínačů se vyrábějí obvykle se šroubovými nebo bezšroubovými svorkami. Které jsou lepší? Bezšroubové svorky jsou moderní a používané všemi předními výrobci vypínačů a zásuvek. K zapojení nepotřebujete žádný nástroj, jako šroubovák. Stačí stisknout páčku, vsunout odizolovaný konec vodiče a uvolnit páčku. Jsou oblíbené stejně jako známé WAGO svorky. Jediné omezení bezšroubových svorek je v tom, že je nelze použít pro hliníkové vodiče, kvůli fyzikálním a elektrickým vlastnostem hliníku. Šroubové svorky vypínače lze použít pro měděné i hliníkové vodiče, ale k jejich použití potřebujete vhodný šroubovák a čas k povolení a utažení šroubu. Nicméně jsou preferované starší generací elektrikářů.



Bezšroubové svorky

Moderní bezšroubové "rychlosvorky" dnes najdeme běžně ve vypínačích i svítidlech. Jejich princip, založený na pružném sevření vodiče a jeho uvolnění stiskem páčky, je podobný jako u páčkových WAGO svorek.

Výhody: rychlé připojení, rychlé odpojení, zapojení vodiče bez nářadí.
Nevýhody: nepřipojujte hliníkové vodiče! Pouze měděné vodiče.



Šroubové svorky

Klasické svorky se šroubem a dlouhou tradicí. Naleznete je spíše v rozvodnicích a rozvaděčích než na strojcích vypínačů.

Výhody: lze připojit měděné i hliníkové vodiče.
Nevýhody: nutnost utáhnout šroub svorky šroubovákem.



FAQ - časté dotazy

Jaký je rozdíl mezi spínačem, tlačítkem, vypínačem a přepínačem?
Spínač má stejnou funkci jako vypínač, spíná (resp. rozpíná) elektrický obvod. Tlačítko také spíná obvod, ale jen po dobu stisku. Po uvolnění se vrací do výchozí pozice. Přepínač přepíná mezi dvěma obvody, otočný přepínač zpravidla mezi více obvody. Značení je následovné: jednopólový vypínač má č.1 ale tlačítko má č.1/0.

Co znamená číslo vypínače?
Je to číslo řazení, označující vnitřní zapojení kontaktů vypínače a možnosti použití. Uvádíme všechna používaná řazení:

  • č.1 je jednopólový vypínač, kterým zapnete a vypnete jeden okruh. Pro stejnou funkci lze použít i č.6.
  • č.1/0 je jednopólové tlačítko, tedy spínač který se po uvolnění vrátí do rozepnuté polohy. Ideální pro ovládání zvonků, impulzních relé a časovačů. Pro stejnou funkci lze použít i č.6/0.
  • č.2 je dvojpólový vypínač, kterým zapnete a vypnete fázi a nulový vodič. Používá se jako vypínač s orientační doutnavkou 2So.
  • č.3 je trojpólový vypínač, známý jako sporáková kombinace. S tímto vypínačem zapnete a vypnete najednou tři fáze.
  • č.4 je historický vypínač skupinový. Dnes se již nepoužívá. Sloužil jako otočný bakelitový přepínač více okruhů světel.
  • č.5 je dvojitý vypínač se dvěma klapkami, známý jako lustrový vypínač. S jeho pomocí zapnete a vypnete nezávisle dva okruhy. Na rozdíl od řazení 2, má řazení 5 spojené vstupy.
  • č.5a neboli 6+1 je dvojitý vypínač se dvěma klapkami. Obsahuje vypínač řazení 1 a přepínač řazení 6. Tento typ je dnes nahrazen univerzálnějším řazením 5b.
  • č.5b neboli 6+6 je dvojitý přepínač se dvěma klapkami. Obsahuje dva přepínače řazení 6.
  • č.6 je jednopólový tzv. "schodišťový" přepínač, kterým přepnete mezi dvěma okruhy nebo ho použijete jako vypínač řazení 1. Nezastupitelný je ve schodišťovém zapojení.
  • č.6/0 je přepínací tlačítko, tedy přepínač který se po uvolnění vrátí do výchozí polohy. Lze použít místo č.1/0.
  • č.7 je dvojpólový tzv. "křížový" přepínač. Důležitý při ovládání světel ze 3 a více míst. Používá se mezi schodišťovými vypínači 6.

Jaké svorky mohu použít pro hliníkové rozvody?
Pro hliník je nutné použít šroubové svorky, kvůli vlastnostem hliníku. ABB vypínače se šroubovými svorkami jsou: Classic, Tango, Time / Element.

Jaké svorky mohu použít pro měděné rozvody?
Pro měď lze použít bezšroubové svorky nebo i šroubové. Všechny oblíbené designové řady vypínačů se vyrábějí nejčastěji s bezšroubovými svorkami:

  • ABB Tango, Zoni, Levit, Neo, Time / Element, ...
  • Schneider Electric nová Unica, Asfora, Sedna, ...
  • Legrand Valena Life, Suno, Niloé, ...

Jak zapojit vypínač s doutnavkou?
Vypínač s orientační doutnavkou či LED svítí, když je obvod rozpojen. Orientační LED je úspornější a zapojuje se paralelně k vypínači. Pro tuto funkci je potřeba vypínač (řazení s písmeny So) se svorkou N a další nulový vodič. Schéma naleznete výše v části signalizační / orientační doutnavka a LED. Naopak, vypínač se signalizační doutnavkou / LED svítí současně se sepnutým obvodem. Signalizační doutnavka či LED se zapojuje sériově k vypínači a proto nepotřebuje svorku N.

Může doutnavka způsobit blikání LED svítidla?
Ano, může. Někdy doutnavka ve vypínači způsobuje poblikávání LED světla nebo trvalé svícení i ve vypnuté poloze vypínače. Taková situace se standardně řeší připojením vhodného odrušovacího kondenzátoru, například Odrušovač blikání LED.

Svítí doutnavka vždy oranžově?
Ne. Doutnavky se vyrábějí v různých barvách. Barva světla závisí na luminiscenční vrstvě na stěně baňky. Například ABB nabízí doutnavky svítící oranžově, zeleně, modře. Dnes se stále častěji místo doutnavek používají LED, například bílé, modré a červené.

Pro jaké napětí a proud jsou vypínače dimenzované?
Běžné vypínače do domovních elektroinstalací jsou typicky dimenzované pro jmenovité střídavé napětí 250 V AC a jmenovitý proud 10 A. Tyto parametry jsou vždy uvedeny u konkrétního vypínače.


Teď už máte široký přehled o zapojení vypínačů v elektroinstalaci. U nás si můžete vybrat z nejširšího sortimentu prvotřídních vypínačů ABB, Schneider Electric, Legrand nebo Famatel.

CHCI VYPÍNAČ

Přejít na seznam článků